5,0
zakaz@rus-horeca.ru
+7 (495) 182-54-40
+7 (495) 182-54-40
Заказать звонок
E-mail
zakaz@rus-horeca.ru
Адрес
Cклады по всей России
Режим работы
Пн. – Пт.: с 9:00 до 18:00
Тепловое оборудование
Холодильное оборудование
Барное оборудование
Весовое оборудование
Водоподготовка
Кофейное оборудование
Линии раздачи
Нейтральное оборудование
Оборудование для дезинфекции и очистки
Оборудование для фастфуда
Оборудование для химчисток и прачечных
Посуда и инвентарь
Посудомоечное оборудование
Упаковочное оборудование
Упаковочное оборудование
Хлебопекарное и кондитерское оборудование
Электромеханическое оборудование
Уценка
  • Тепловое оборудование
    • А
      • Аппараты Sous Vide
    • В
      • Вапо грили
      • Вафельницы
      • Вафельницы для гонконгских вафель
      • Витрины для выпечки
      • Витрины тепловые для ингредиентов
      • Водонагреватели проточные
    • Д
      • Дегидраторы
      • Дымогенераторы для холодного копчения
    • Ж
      • Жаровни для семечек
      • Жарочные поверхности
    • И
      • Индукционные плиты
    • К
      • Казаны
      • Казаны электрические
      • Кипятильники
      • Конвейерные печи для пиццы
      • Конвекционные печи
      • Коптильни профессиональные
      • Котлы пищеварочные
    • М
      • Макароноварки
      • Мармиты
      • Микроволновые печи профессиональные
      • Мультихолдеры
    • Н
      • Низкотемпературные печи
    • О
      • Оборудование для картофеля фри
    • П
      • Пароварки промышленные
      • Пароконвектоматы
      • Печи высокоскоростные
      • Печи для запекания картофеля
      • Печи для пиццы
      • Печи для утки по-пекински
      • Печи дровяные для пиццы
      • Печи на твердом топливе (хосперы)
      • Печи хлебопекарные
      • Плиты индукционные ВОК
      • Поверхности подогреваемые
      • Подогреватели полотенец
      • Подогреватели тарелок
      • Подогреватели чашек
      • Профессиональные газовые плиты
    • Р
      • Расстоечные шкафы
      • Рисоварки
      • Ротационные печи
    • С
      • Сковороды опрокидывающиеся
      • Стеклокерамические плиты
      • Столы тепловые
    • Т
      • Тепловые витрины настольные для пиццы
      • Тепловые лампы
      • Тепловые полки
      • Тостеры конвейерные
      • Тостеры профессиональные
    • Ч
      • Чафиндиши
      • Чебуречницы
    • Ш
      • Шашлычницы
      • Шкафы жарочные
      • Шкафы пекарские
      • Шкафы тепловые
    • Э
      • Электрические плиты
    • Я
      • Яйцеварки
  • Холодильное оборудование
    • А
      • Автомобильные холодильники
    • Б
      • Барные морозильники
      • Барные настольные витрины
      • Барные холодильники
      • Бонеты
    • В
      • Ванны охлаждаемые
      • Витрины для ингредиентов
      • Витрины для мороженого
      • Витрины для суши маркетов
      • Витрины кондитерские
      • Витрины холодильные встраиваемые
      • Витрины холодильные настольные
      • Витрины-прилавки холодильные
    • К
      • Компрессорно-конденсаторные агрегаты (ККА)
      • Кондитерские шкафы
    • Л
      • Лари морозильные
      • Лари холодильные открытые
      • Ларь-бонеты
    • М
      • Морозильные витрины
    • П
      • Прилавки для холодных блюд
    • С
      • Салат-бары
      • Столы для пиццы
      • Столы комбинированные
      • Столы морозильные
      • Столы холодильные
    • Ф
      • Фармацевтические холодильники
      • Фризеры для жареного мороженого
    • Х
      • Холодильные витрины для рыбы
      • Холодильные горки
      • Холодильные камеры
      • Холодильные моноблоки
      • Холодильные сплит-системы
      • Холодильные столы для салатов
    • Ш
      • Шкафы шоковой заморозки
      • Шкафы винные
      • Шкафы для вызревания мяса
      • Шкафы для икры
      • Шкафы комбинированные
      • Шкафы морозильные
      • Шкафы холодильные
  • Барное оборудование
    • А
      • Аппараты для полировки и сушки бокалов
      • Аппараты для полировки столовых приборов
      • Аппараты для приготовления горячего шоколада
    • Б
      • Барные комбайны для общепита
    • Г
      • Граниторы
    • Д
      • Диспенсеры для мюсли
      • Диспенсеры для напитков
      • Диспенсеры для тарелок
    • И
      • Измельчители льда
    • К
      • Кегераторы для розлива пива
    • Л
      • Льдогенераторы
    • М
      • Миксеры для молочных коктейлей
    • О
      • Охладители бокалов
      • Охладители соков и напитков
    • П
      • Пастеризаторы для мороженого
    • С
      • Соковыжималки
    • Ф
      • Фризеры для мороженого
  • Весовое оборудование
    • В
      • Весы лабораторные
      • Весы платформенные для склада
      • Весы порционные электронные
      • Весы товарные
      • Весы торговые электронные
    • С
      • Счетные весы
  • Водоподготовка
    • С
      • Смягчители воды для общепита
    • Ф
      • Фильтр-системы
  • Кофейное оборудование
    • В
      • Вспениватели молока
    • К
      • Кофеварки капельные профессиональные
      • Кофемолки профессиональные
    • О
      • Оборудование для варки кофе на песке
    • П
      • Профессиональные кофемашины
    • Р
      • Рожковые кофемашины
    • С
      • Суперавтоматические кофемашины
    • Х
      • Холодильники для молока
  • Линии раздачи
    • Л
      • Линия раздачи ABAT HOT-LINE
      • Линия раздачи ABAT АСТА
      • Линия раздачи ABAT ПРЕМЬЕР
      • Линия раздачи ATESY РЕГАТА
      • Линия раздачи ATESY РИВЬЕРА
      • Линия раздачи МАРИХОЛОДМАШ ШЕФ
  • Нейтральное оборудование
    • В
      • Ванны котломоечные
      • Ванны моечные
    • Д
      • Душирующие устройства и смесители
    • З
      • Зонты вытяжные
    • К
      • Кассовые прилавки
      • Корзины для покупок в супермаркеты
    • М
      • Мусорные баки и контейнеры для кафе
    • Н
      • Нейтральные витрины и прилавки
    • О
      • Открытые столы и барные модули
    • П
      • Подтоварники
      • Полки настенные
      • Полки решетчатые и перфорированные
      • Производственные разделочные столы
      • Профессиональные подставки под оборудование
    • Р
      • Рабочие поверхности
      • Рукомойники металлические
    • С
      • Стеллажи для сушки посуды
      • Столы для пищевых отходов
      • Столы для посудомоечных машин
      • Столы кондитерские
    • Т
      • Тележки для перевозки термоконтейнеров
      • Тележки для сбора посуды
      • Тележки шпильки для подносов
    • Ш
      • Шкафы нейтральные
  • Оборудование для дезинфекции и очистки
    • И
      • Инсектицидные лампы
    • М
      • Машины для чистки обуви
    • Р
      • Рециркуляторы облучатели бактерицидные
    • С
      • Стерилизаторы для ножей
      • Стерилизаторы для посуды
  • Оборудование для фастфуда
    • А
      • Аппараты для варки кукурузы
      • Аппараты для газированной воды
      • Аппараты для Корн Догов
      • Аппараты для приготовления хот-догов
      • Аппараты для сахарной ваты
      • Аппараты для сосисок в яйце
      • Аппараты для трдельников
    • Б
      • Блинницы
    • Г
      • Грили барбекю
      • Грили для кур
      • Грили для шаурмы
      • Грили контактные
      • Грили лавовые
      • Грили Саламандра
      • Гриль-мангалы
    • М
      • Машины для производства попкорна
    • О
      • Оборудование для пончиков
    • Р
      • Роликовые грили для сосисок
    • Ф
      • Фритюрницы
  • Оборудование для химчисток и прачечных
    • Г
      • Гладильные катки для прачечных
      • Гладильные прессы
      • Гладильные столы
    • П
      • Профессиональные стиральные машины
      • Профессиональные сушильные машины
      • Пятновыводные столы
    • Т
      • Тележки для белья
    • У
      • Упаковщики для белья
  • Посуда и инвентарь
    • Г
      • Гастроемкости
    • К
      • Колоды для рубки мяса профессиональные
    • Т
      • Термоконтейнеры
    • Ч
      • Чистящие и моющие средства
  • Посудомоечное оборудование
    • К
      • Котломоечные машины
      • Купольные посудомоечные машины
    • П
      • Посудомоечные машины туннельного типа
    • С
      • Стаканомоечные машины
      • Столы входные для машин посудомоечных
    • Т
      • Транспортеры для сбора грязной посуды
    • Ф
      • Фронтальные посудомоечные машины
  • Упаковочное оборудование
    • В
      • Вакуумные упаковщики бескамерные
      • Вакуумные упаковщики камерные
    • Г
      • Горизонтальные упаковочные машины
    • З
      • Запайщики пакетов
    • Ф
      • Фальцевальные машины
    • Э
      • Этикетировщики
  • Упаковочное оборудование
  • Хлебопекарное и кондитерское оборудование
    • А
      • Аппараты для ферментации
    • Г
      • Глазировочные машины
    • Д
      • Декорирующие машины и оборудование
      • Дозаторы и охладители воды
    • К
      • Кремоварки
    • М
      • Мукопросеиватели
    • П
      • Прессы для пиццы
      • Промышленные тестомесы для крутого теста
    • Т
      • Тарталетницы электрические
      • Темперирующие машины для шоколада
      • Тестоделители-округлители
      • Тестоделительные машины
      • Тестозакаточные машины
      • Тестомесильные машины
      • Тестоокруглители
      • Тестораскаточные машины
    • Х
      • Хлеборезки
  • Электромеханическое оборудование
    • Б
      • Блендеры
      • Бликсеры
    • В
      • Вакуумные массажеры
    • Г
      • Гомогенизаторы
    • И
      • Измельчители для кухни
      • Измельчители отходов
      • Инъекторы для мяса
    • К
      • Картофелечистки
      • Клипсаторы ручные для колбасы
      • Котлетные аппараты
      • Куттеры
      • Кухонные процессоры для общепита
    • Л
      • Лапшерезки
      • Ленточные пилы
    • М
      • Машины для приготовления пасты
      • Машины протирочно резательные
      • Миксеры ручные
      • Мясорубки
    • Н
      • Ножи консервные
    • О
      • Овоскопы
      • Овощемоечные машины
      • Овощерезки
    • П
      • Панировочные машины
      • Пельменные автоматы
      • Планетарные миксеры
      • Промышленные бургер прессы
    • Р
      • Рыбочистки
    • С
      • Слайсеры
      • Сыротерки
    • Т
      • Тендерайзеры
    • У
      • Универсальные кухонные машины (УКМ)
    • Ф
      • Фаршемешалки
    • Ш
      • Шпигорезки
      • Шприцы колбасные ручные
  • Уценка
Войти
0 Сравнение
0 Избранное
0 Корзина
Доставка и оплата
Гарантия
О компании
Контакты
Лизинг
Комплексное оснащение
    По производителю
    Войти
    0 Сравнение
    0 Избранное
    0 Корзина
    Телефоны
    +7 (495) 182-54-40
    0
    0
    0
    • Кабинет
    • 0 Сравнение
    • 0 Избранное
    • 0 Корзина
    • +7 (495) 182-54-40
      • Назад
      • Телефоны
      • +7 (495) 182-54-40
      • Заказать звонок
    • zakaz@rus-horeca.ru
    • Cклады по всей России
    • Пн. – Пт.: с 9:00 до 18:00
    Главная
    –
    Каталог
    –
    Барное оборудование
    –
    Соковыжималки
    –Соковыжималка для цитрусовых Viatto VA-CJ5

    Соковыжималка для цитрусовых Viatto VA-CJ5

    Артикул: 032259
    Соковыжималка для цитрусовых Viatto VA-CJ5
    Характеристики
    Производитель
    Viatto Commercial
    Количество скоростей
    1
    Импульсный режим
    нет
    Габариты
    317х206х412
    Панель управления
    нет
    Тип
    для цитрусовых
    Напряжение (В)
    220
    Мощность, кВт
    0,18
    Габариты (в упаковке)
    455х252х360
    Вес
    5.7
    Вес (в упаковке)
    6.4
    Страна производства
    Китай
    Использование
    для цитрусовых
    Вид соковыжималки
    цитрусовая
    Все характеристики Подробности
    Viatto Commercial
    Все товары Viatto Commercial
    Все товары категории

    Технические характеристики Соковыжималка для цитрусовых Viatto VA-CJ5

    • Основные характеристики

      • Количество скоростей 1
      • Импульсный режим нет
      • Габариты 317х206х412
      • Панель управления нет
      • Тип для цитрусовых
      • Напряжение (В) 220
      • Мощность, кВт 0,18
      • Габариты (в упаковке) 455х252х360
      • Вес 5.7
      • Вес (в упаковке) 6.4
      • Страна производства Китай
      • Использование для цитрусовых
      • Вид соковыжималки цитрусовая
      • Прижимной рычаг Да

    Описание

    Соковыжималка VIATTO VA-CJ5 предназначена для получения свежего сока из различных видов цитрусовых. Используется в кафе, барах и фреш-барах, на фуд-кортах и небольших точках продажи сока на открытом воздухе.
    Корпус изготовлен из алюминиевого сплава. Чаша, конус и фильтр из ABS-пластика.

    Остались вопросы по характеристикам или покупкам?

    Наши специалисты с удовольствием вас проконсультируют и помогут сделать правильный выбор

    Позвоните +7 495 023-73-53 Напишите на почту zakaz@rus-horeca.ru

    В наличии

    12 265 ₽
    В корзину
    Купить в 1 клик
    Доставка по всей России

    Файлы для скачивания

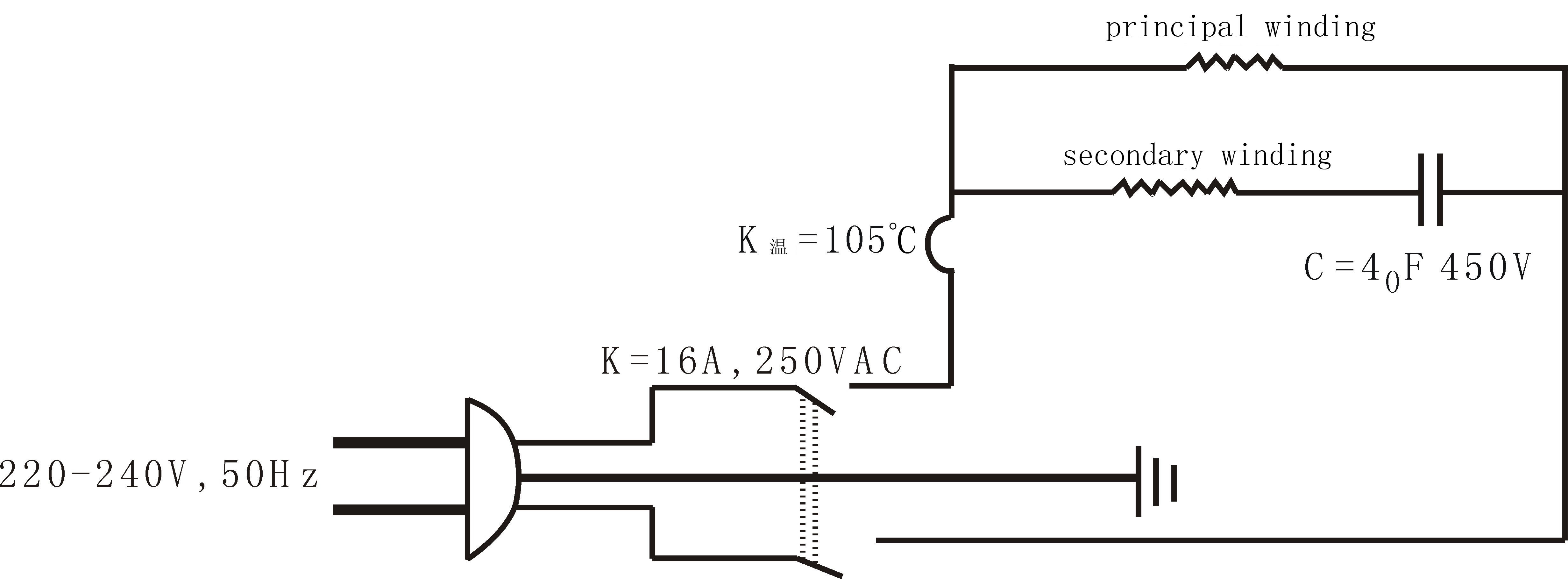
    • CJ5 electrical diagram JPG файл
    • Sunmile сок (2) PDF файл
    • Sunmile стар. обр. сок (2) PDF файл
    • VA-CJ5 exploded view PDF файл
    • VIATTO СОКОВЫЖИМАЛКА ДЛЯ ЦИТРУСОВЫХ VA-CJ5 PDF файл

    Почему мы?

    • Качество

      Наша цель - предложить клиентам оборудование, соответствующее высочайшим требованиям безопасности и производительности, обеспечивая высокое качество продукции.

    • Опыт

      Мы гордимся опытом нашей команды в области ресторанного оборудования и всегда рады оказать помощь и поддержку нашим клиентам.

    • Клиентоориентированность

      Мы ставим клиентов в центр наших усилий и с удовольствием предлагаем персонализированные решения, чтобы удовлетворить все ваши запросы.

    • Доставка

      Мы предлагаем разнообразные варианты доставки по всей территории страны, чтобы гарантировать вам получение нужного оборудования вовремя.

    • Описание
    • Характеристики
    Соковыжималка VIATTO VA-CJ5 предназначена для получения свежего сока из различных видов цитрусовых. Используется в кафе, барах и фреш-барах, на фуд-кортах и небольших точках продажи сока на открытом воздухе.
    Корпус изготовлен из алюминиевого сплава. Чаша, конус и фильтр из ABS-пластика.
    Количество скоростей
    1
    Импульсный режим
    нет
    Габариты
    317х206х412
    Панель управления
    нет
    Тип
    для цитрусовых
    Напряжение (В)
    220
    Мощность, кВт
    0,18
    Габариты (в упаковке)
    455х252х360
    Вес
    5.7
    Вес (в упаковке)
    6.4
    Страна производства
    Китай
    Использование
    для цитрусовых
    Вид соковыжималки
    цитрусовая
    Прижимной рычаг
    Да
    Назад к списку
    Каталог
    Бренды
    Блог
    Условия доставки и оплаты
    Контакты
    Склады
    Гарантия на товар
    +7 (495) 182-54-40
    +7 (495) 182-54-40
    Заказать звонок
    E-mail
    zakaz@rus-horeca.ru
    Адрес
    Cклады по всей России
    Режим работы
    Пн. – Пт.: с 9:00 до 18:00
    zakaz@rus-horeca.ru
    Cклады по всей России
    © 2026 Rus-HoReCa
    Цены носят информационный характер и не являются публичной офертой.
    Актуальную стоимость уточняйте у менеджера.
    Конфиденциальность
    Оферта
    Главная Каталог 0 Корзина 0 Избранные Кабинет